SIGN IN YOUR ACCOUNT TO HAVE ACCESS TO DIFFERENT FEATURES
CREATE ACCOUNT
login with Google
login with Facebook
FORGOT YOUR PASSWORD?
CREATE ACCOUNT
login with Google
login with Facebook
FORGOT YOUR PASSWORD?
CREATE ACCOUNT
ALREADY HAVE AN ACCOUNT?
FORGOT YOUR PASSWORD?
AAH, WAIT, I REMEMBER NOW!
로그인
언어선택
한국어
영어
로그인
한국어
/
영어
마이플랫폼
개인정보
로그아웃
HOME
About IPD Process
IPD PLANNER
CONTENTS
ARCHIVE
Download
AIRED Manual
수정
삭제
목록
by
좋아요
Issue
Strategy and Element
Evaluation
Documentation
이전글
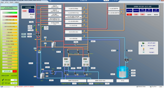
건축물 에너지 관리 시스템 구축
다음글
Energyplus